LXQ型6~35kV电压互感器中性点用非线性电阻消谐阻尼器(简称消谐器),是安装在6~35kV电压互感器(简称PT)一次绕组Y结线中性点与地之间的一种非线性电阻消谐阻尼器件。与传统的RXQ型相比,LXQ型消谐器从提高消谐器的热容量出发,在设计上进行了较大的改进。消谐器采用电气性能优越、超细颗粒的SiC为基料,经大吨位液压机压制成高密度的坯体,在还原气氛下经上千度的高温烧结而成。也叫一次消谐器。
免收服务费 服务随叫随到
销售热线:19516232123 / 13806604321

一、概述
LXQ系列电压互感器中性点用非线形电阻消谐阻尼器(简称消谐器),是安装在6~35kV 电压互感器(简称 PT)一次绕组(或二次绕组)Y。结线中性点与地之间的一种非线性电阻消谐阻尼器件。与传统的 RXQ 型消谐器相比,LXQ 型消谐器从提高消谐器的热容量出发,在设计上进行了较大的改进。消谐器采用电气性能优越、超细颗粒的 SiC 为基料,经大吨位液压机压制成高密度的坯体,在还原气氛下经上千度高温烧结而成。裸露的电阻器表面结构经特殊处理,具有防雨淋功能,可直接用于户外。新型 LXQ(LXQ3、LXQ4)型消谐器由于其体积小、重量轻、强度高、散热快,去掉了传统 RXQ 型消谐器的瓷壳,更便于安装,很受用户的青睐。
二、产品特点
1、 消谐或阻尼由电压互感器引起的铁磁谐振,避免电压互感器内、外绝缘击穿、放电;
2、 限制系统在单相接地或弧光接地时流过互感器绕组的过电流,避免电压互感器烧毁;
3、 体积小、重量轻,易于安装。
三、使用条件
1、 环境温度:-40℃~+40℃;
2、 电源频率:48Hz~62Hz;
3、 地震烈度 8 度及以下地区;
4、 消谐器虽有防雨功能,但不宜长久直接经受日晒雨淋。
四、产品生产执行标准
国标 GB/T 16927 企标 Q/MN.J-2005
五、电气性能

六、安装
因 LXQ系列消谐器体积小,所以既可以垂直安装,也可以水平安装。可以直接固定在 PT 本体的螺杆上(注意:对PT 固定螺栓不接地的如:JDZJ-6~10 型需将消谐器接地端与接地螺栓相连接),也可固定在 PT 附近的支架上。
1、三个单相 PT 时:


在未接消谐器前,三个单相 PT 高压绕组尾(x.y.z)直接接地或是并联于中性点(O)接地。接消谐器时,必须将直接接地的高压绕组尾线(O)与地断开,然后将消谐器接在中性点(O)与地之间(中性点不再直接接地)
2、三相五柱 PT 时:
在未接消谐器前,三相五柱 PT 中性点(O)直接接地。接消谐器时,必须将中性点(O)与地断开,然后将消谐器接在中性点(O)与地之间(中性点不再直接接地)。
七、消谐器的电气参数测试
1、绝缘电阻测试:
现场测量可用 1000V 摇表测量消谐器的绝缘带内阻,一般约为 0.5MΩ。
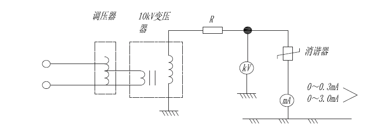
2、直流伏安特性测试:
参考接线见图二,所测得的数据应符合表中规定的数值。
3、非线性系数α的测试:
当消谐器的直流特性采用 15mA 时,分别测出消谐器的直流 50mA 及 5mA 时两端电压 U1、U2;
当消谐器的直流特性采用 42mA 时,分别测出消谐器的直流 100mA 及 10mA 时两端电压 U1、U2;
则非线性系数α1、α2 分别为:

4、交流电压测试
参考接线见图,所测得的数据应符合表中规定的数值

PT二次侧接线图:

本公司厂家生产,质保期三年。欢迎各位新老客户垂询:郭先生 13806604321.