全国服务热线:19516232123 / 13806604321 欢迎来到徐州九章电气设备有限公司官网!

CTB-3D

徐州九章电气设备有限公司专业生产:线路故障指示器、面板型故障指示器、避雷器、电流互感器二次过电压保护器、PT消谐器、避雷器附件等高压电气产品,欢迎新老客户选购。 电流互感器(CT)在电力系统中,广泛用于一次测量与控制。电流互感器的二次侧近似短路状态,输出极小的电压。运行中如果二次侧开路,或一次侧绕组流过异常电流(如雷电流、谐振电流、电容充电电流等),都会在二次侧产生数千伏甚至上万伏的过电压。这不仅给二次侧系统绝缘造成危害,还会使电流互感器过激而烧毁,甚至危机工作人员的生命安全。

免收服务费 服务随叫随到

销售热线:19516232123 / 13806604321

产品描述


徐州九章电气设备有限公司专业生产:线路故障指示器、面板型故障指示器、避雷器、电流互感器二次过电压保护器、PT消谐器、避雷器附件等高压电气产品,欢迎新老客户选购。

电流互感器(CT)在电力系统中,广泛用于一次测量与控制。电流互感器的二次侧近似短路状态,输出极小的电压。运行中如果二次侧开路,或一次侧绕组流过异常电流(如雷电流、谐振电流、电容充电电流等),都会在二次侧产生数千伏甚至上万伏的过电压。这不仅给二次侧系统绝缘造成危害,还会使电流互感器过激而烧毁,甚至危机工作人员的生命安全。

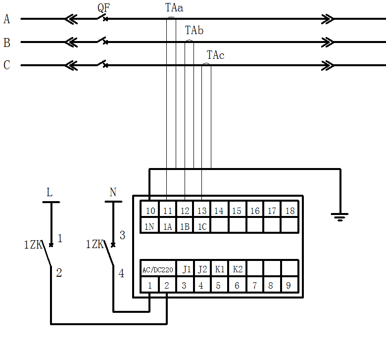
电流互感器保护器是多回路保护器,嵌入式安装在机柜面板上,导轨式安装在机柜内导轨上,保护器本身有复位按钮,有远程复位端子(J1、J2)可以延伸到操作部位,保护输出的同时有继电器的闭合触点输出(K1、K2)可以用于自动化连锁。电源AC:85-260V DC:100-300V,不分极性。

保护原理:

当电流互感器因故障开路时,指示灯亮,可控硅导通(6A)保护电流互感器。

测试方法及原理图:

用调压器将电压调至140-170V,模似互感器开路电压,用灯泡模似互感器负载,可控硅导通,灯泡亮,保护功能作用。继电器(K1K2)闭合,驱动报警或联动。用复位按钮或J1J2清除记忆,释放可控硅和继电器。

K1、K2为继电器输出接点,容量为AC:250V/5A DC:110V/2A

端子标号及连接:                产品技术指标:

请勿将输入端1、2两脚间的电源接错,接入380V电压会使该装置损坏

产品接线图:


产品选购须知
产品:电流互感器二次过压保护器
型号:CTB-1D
保护绕组数:1个绕组

产品:电流互感器二次过压保护器
型号:CTB-3D
保护绕组数:3个绕组
产品:电流互感器二次过压保护器
型号:CTB-4D
保护绕组数:4个绕组

产品:电流互感器二次过压保护器
型号:CTB-6D
保护绕组数:6个绕组
产品:电流互感器二次过压保护器
型号:CTB-9D
保护绕组数:9个绕组

产品:电流互感器二次过压保护器
型号:CTB-12D
保护绕组数:12个绕组

产品技术文档
CTB-3D - 技术文档 查看

在线留言
在线客服
联系方式

热线电话

19516232123 / 13806604321

上班时间

周一到周日

公司电话

线